设为首页 | 加入收藏
| 产品展示 您的位置:首页 >> 产品展示 >> FA工厂自动化零件 >> 线性传动配件 >> 千分尺旋钮

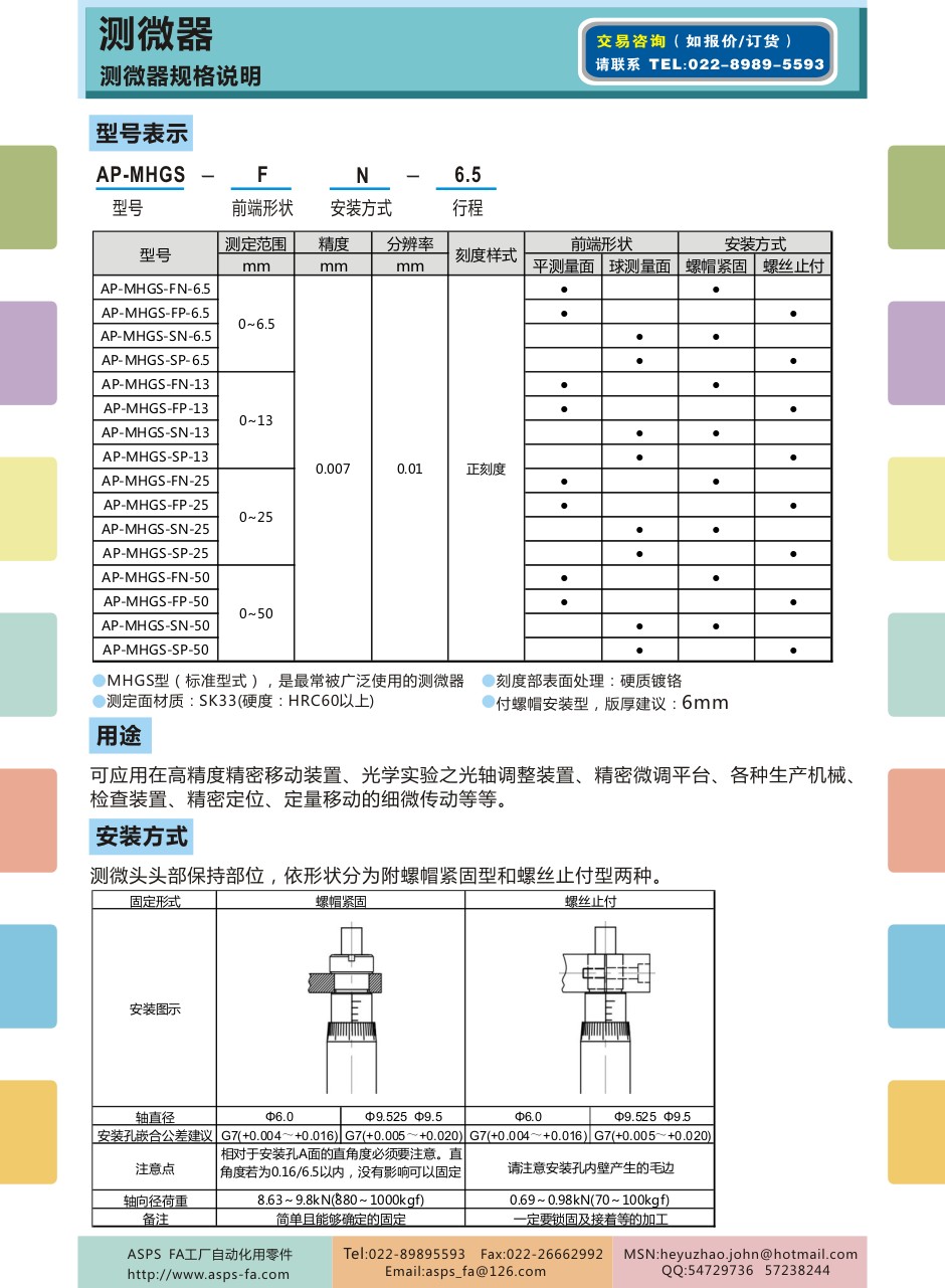
千分尺旋钮︱测微器

用途:可应用在高精度精密移动装置、光学实验之光轴调整装置、精密微调平台、各种生产机械、检查装置、精密定位、定量移动的细微传动等等。
安装方式:测微头头部保持部位,依形状分为附螺帽紧固型和螺丝止付型两种。
测微器选用:选择的重点有测定范围、测定面形状、轴心部分、读取芯轴的大小等,依使用目的选择测微器。
测定面选择:轴的尺寸,是依测微头与本体组合最适合的尺寸设计,轴的直径采用轴的容许公差h6。
当成测定装置使用时,一般选用平面型
当成传送装置使用时,采用球面型可以把因测微头安装部位的倾斜而造成的误差控制在最小
测定面材质:SK33(硬度:HRC60以上)
刻度部表面处理:硬质镀铬
附螺帽安装型,板厚建议:6mm
MHGS-FN-6.5 MHGS-FP-6.5  MHGS-SN-6.5 MHGS-SP-6.5
MHGS-FN-13  MHGS-FP-13   MHGS-SN-13  MHGS-SP-13
MHGS-FN-25  MHGS-FP-25   MHGS-SN-25  MHGS-SP-25
MHGS-FN-50  MHGS-FP-50   MHGS-SN-50  MHGS-SP-50



首 页 | 公司介绍 | 产品展示 | 技术支持 | 资料下载 | 新闻动态 | 人才招聘 | 联系我们

电子手轮︱手摇脉冲发生器︱手持单元︱数字编码开关︱波段开关︱螺旋电缆︱数控面板︱数控系统︱滚珠丝杆︱T型丝杆︱微型丝杆︱直线导轨︱微型直线导轨︱丝杆支撑座
弹性联轴器︱同步齿形带︱输送带︱平皮带︱V型三角带︱同步带轮︱齿轮齿条︱链轮链条︱锥套皮带轮︱免键同步带轮︱免键轴衬︱千分尺旋钮︱胀紧套︱锥衬套紧定套︱可焊接套
精密锁紧螺母︱安全夹头︱快速夹钳︱直线光轴︱光轴支撑座︱直线轴承︱带座轴承︱关节轴承︱凸轮轴承随动器︱螺栓轴承︱支撑滚轮轴承止推滚针轴承︱轴承座︱无油线性滑板︱无油衬套︱线性模组︱XY滑台︱定位销︱模具弹簧︱圆线弹簧︱工业铝型材︱钢丝螺套︱油压缓冲器︱固定环︱输送滚筒滚珠花键︱带座磁铁︱橡胶密封条︱工业脚轮︱V型槽定位块︱歧管块︱不锈钢接头︱精密垫片︱旋转柱塞︱聚氨酯滚轮︱电缆保护链︱把手︱拉手︱手轮︱铰链
CENTAFLEX高弹性联轴器 碳纤维传动轴︱REICH-KUPPLUNGE高弹联轴器 扭转弹性联轴器 扭转刚性联轴器和驱动装置︱MIKIPULLEY联轴器离合器︱NBK联轴器机械要素︱酒井联轴器
IMAO今尾工夹具操作件︱加茂KAMO滚轮齿圈齿条︱艾塞路ISEL︱TSUBAKI椿本链条输送链电缆拖链同步带轮同步带联轴器胀紧套凸轮离合器升降机电动缸︱TECNIDEA泰尼达减震支撑
SUMITOMO住友减速机︱HarmonicDrive哈默纳科减速机︱TSUBAKI椿本减速机︱MHI-HASEG三菱重工长谷川蜗杆减速机︱GTR NISSEI日精减速机︱帝人减速机︱SEW减速机
THK︱IGUS




   

百销通会员百销通会员进入展示厅
备案号:津ICP备09011718号-2公安备案:津公网安备 12010402000787号